W 639/2.5-2ZS
W 639/2.5-2ZS
لطفا توجه داشته باشید که:بدلیل نوسانات قیمت لطفا جهت خرید این محصول با واحد پشتیبانی هماهنگ کنید. ضمنا میتوانید سفارش این محصول را ثبت کنید تا همکاران با شما هماهنگی لازم را بعمل بیاورند.) تماس بگیرید
امکان تحویل اکسپرس
7 روز هفته 24 ساعته
مشاوره رایگان
ضمانت اصل بودن کالا
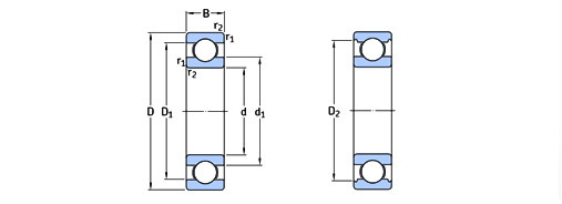
- مشخصات فنی
- d قطر داخلی2.5 mm
- D قطر بیرونی7 mm
- B ارتفاع3.5 mm
ثبت نظر جدید
هنوز نظری ثبت نشده است.
