7326 BM
7326 BM
گروه :
بلبرینگ تماس زاویه ای
لطفا توجه داشته باشید که:بدلیل نوسانات قیمت لطفا جهت خرید این محصول با واحد پشتیبانی هماهنگ کنید. ضمنا میتوانید سفارش این محصول را ثبت کنید تا همکاران با شما هماهنگی لازم را بعمل بیاورند.) تماس بگیرید
امکان تحویل اکسپرس
7 روز هفته 24 ساعته
مشاوره رایگان
ضمانت اصل بودن کالا
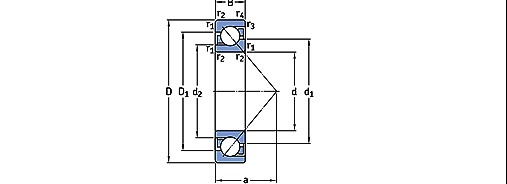
- مشخصات فنی
- d قطر داخلی130 mm
- D قطر بیرونی280 mm
- B ارتفاع58 mm
ثبت نظر جدید
هنوز نظری ثبت نشده است.
