6301 z
 
 6301 z
گروه :
بلبرینگ شیار عمیق
لطفا توجه داشته باشید که:بدلیل نوسانات قیمت لطفا جهت خرید این محصول با واحد پشتیبانی هماهنگ کنید. ضمنا میتوانید سفارش این محصول را ثبت کنید تا همکاران با شما هماهنگی لازم را بعمل بیاورند.)   رزرو محصول  
امکان تحویل اکسپرس
7 روز هفته 24 ساعته
مشاوره رایگان
ضمانت اصل بودن کالا
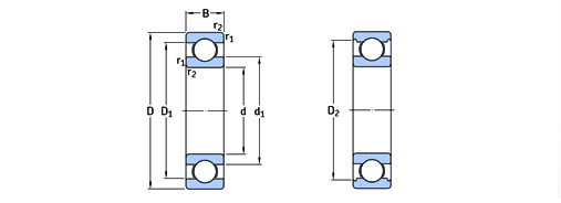
- مشخصات فنی- d قطر داخلی12 mm
- D قطر بیرونی37 mm
- B ارتفاع12 mm
 
ثبت نظر جدید
 هنوز نظری ثبت نشده است.
